*碳纤维复合材料介绍详细内容*

强化纤维材料特性

强化纤维补强是近年来美、日等先进国家所研发的应用在土木工程的维修补强方法。一般而言,此种方法适合应用在柱补强,利用其紧密的贴着所产生之围束力增加柱之韧性以达到增加耐震能力及增加抗压能力的目的。



强化纤维补之材料一般而言具有以下之特性:

1.高强度:

强化纤维补强材料之强度普遍较钢材为高,一些特制强化纤维材料张力强度甚至可达钢材的四倍以上。

2.可增加断面韧性:

强化纤维材料为一种高强度材料,应用在柱补强时因其材料所发挥之高围束力使整体结构之韧性增加,而符合现行耐震规 之要求。

3.重量轻:

其比重比铝还要轻,在同样体积的材料下,强化纤维不但具有高强度、韧性,同时因其质量轻,故其所引致之地震力相对就小,所以就这点而言是相当优良的补强材料。

4.保持原先柱子之形状不变:

不论是方形、矩形、六角形或任何几何尺寸,经修补後,均保持原貌。

5.不受空间的影响:

强化纤维只要有10公分之净空,便可施作,本系统适合这种狭窄空间施工。

6.耐久性及耐腐蚀性强:

强化纤维不腐蚀,对於盐份、土壤及腐蚀环境之抵抗性甚强。


强化纤维补强方法简介

施工顺序:
1.面层处理

  1. 混凝土表面的劣化层(风化、游离石灰、脱模剂、剥离的砂浆、粉 刷层、污物等)以砂轮机去除并研磨。

  2. 以空压喷嘴、砂轮机和毛刷将粉尘及松动物质去除,用水洗净时,必须使其充分乾燥。
2.断面复旧

  1. 将混凝土面层的不良部份(剥落、孔隙、蜂窝、腐蚀等)清除。若有钢筋外露情形,先做好防锈处理,再以强度相等或大於混凝土的环氧树脂砂浆、压克力树脂砂浆等材料修补。

  2. 裂缝以环氧树脂灌注。

  3. 裂缝或打除部份若有漏水情形时,应先以其他方法,做止水、导水处理。
3.不平整修正

  1. 表面凸出部份(小突起等)以切割机或砂轮机将其削除并使其平滑,凹陷部份(打除部份)则以环氧树脂补土或树脂砂浆填补之。

  2. 转角处需处理,凸角R=10mm以上,凹角则以树脂砂浆填补。

4.底漆涂布

气温在5℃以下,雨天或有可能结露时,不可施工。施工 围的温度、湿度确认後,选用适当的底漆。

  1. 将主剂和硬化剂依所规定的配比放置於拌合桶中,使用手提式电动拌合机,使其均匀的混合。一次的拌合量为在可使用的施工量,超过可使用的时间的材料,不可使用(可使用时间依材料使用说明指示)。

  2. 以毛刷滚辊均匀涂布,依现场状况决定是否涂布第二道(初乾之後)。涂布量随施工面的方向及粗糙的程度有所变化。

  3. 指触乾燥时间约3个小时~12小时。
5.单向强化纤维的粘贴

气温在5℃以下,雨天或有可能结露时,不可施工。施工 围的温度、湿度确认後,选用适当的环氧树脂。

  1. 纤维布预先以剪刀、刀子依所设计的尺寸大小裁好。依使用量、裁剪尺寸、长度在两米以内最适当。为防止保管期间的破损,裁剪数量只裁所需用的数量。

  2. 施工面的底漆乾燥以指触确认。底漆施工超过一个星期以上时,应以砂浆磨平。

  3. 将环氧树脂的主剂和硬化剂依所规定的配比放置於拌合桶中,使用手提式电动拌合机,使其均匀的混合。一次的拌合量为在可使用时间内的施工量,超过可使用时间的东西,不可使用。(可使用时间依使用说明指示)。

  4. 环氧树脂用毛刷滚辊平均涂布(涂於底漆上)。涂布量因施工面的方面、粗糙度等影响会有变化,转角部份要多涂。

  5. 单向强化纤维粘贴於树脂涂布面後,撕去离型纸,然後以毛刷滚辊和橡皮刮刀顺着纤维方向用力雇平两、叁次,使树脂浸透并去除气泡。

  6. 粘贴後放置30分钟,若纤维有浮出或脱线情形发生时,以滚辊或橡皮刮刀压平修正。

  7. 单向强化纤维表面再涂布树脂(涂於面层)。与(5)相同要领,以毛刷滚辊或橡皮刮刀顺着纤维方向用力推展,使树脂充分浸透和补充。(8)两层以上的强化纤维相叠粘贴时,重覆(4)~(7)的步骤。

6.养护

室外施工时,为了不让雨水、砂、灰尘等附着於上,必须使用塑胶布保护。

  1. 单向强化纤维补强施工後,等到指触乾燥的时候,用塑胶布覆盖防止雨淋,要注意覆盖布不要碰触到施工面。

  2. 覆盖布的养护需要24小时以上。

  3. 为达成设计强度,下列养护时间是必要的。
       平均气温10℃,养护期间两周。
       平均气温20℃,养护期间一周。

7.完工後面层保护喷涂

  1. 强化纤维本身有阻挡紫外线防止树脂劣化的效果。施工面如受日光直接照射时,耐候性涂料及树脂砂浆喷涂保护较为适当。

  2. 喷涂保护要等树脂初期硬化後施行。

  3. 施工要依各种涂料的标准施工法施工。


 

施工注意事项

 
1.温度

在低温状况下,底漆(Primer)及环氧树脂(Epoxy)粘度会增加,硬化反应较迟缓。会引起硬化反应不良之状况。冬季或寒冷地带,施工条件要慎重检讨,气温有5℃以下不可施工。

2.湿气

水分的存在会阻碍底漆及环氧树脂的粘着。有漏水情形时,先做止水、导水处理,有可能结露的时候不可施工。

3.表面不平

表面凹凸或角落的部位,粘贴强化纤维时容易浮起。高差应修正在1mm以内,凸角取R=10mm以上,凹角用树脂砂浆填补使其平滑。

4.底漆(Primer)及环氧树脂(Epoxy)的处理

粘度以加温来调整,不可以有机溶剂等来稀释。主剂与硬化剂混合後,严守有效使用时间,超过使用时间的东西不可使用。

5.强化纤维的处理

强化纤维不可随意折叠。粘贴时,纤维(长向)方向,预留10cm的搭接长度,短方向则不用。

 

裂缝修补方法示意图

EPOXY 裂缝注射(RC构件,裂缝宽度>0.3m/m时适用)




混凝土结构裂缝允许宽度值表

 
 
依耐久性之需要所允许的最大裂缝

[AC1224委员会]]

条          件 容许最裂缝宽度(mm)
乾燥空气中或有保护层的场合 0.40
湿空气中、土中 30
与冻结防止剂接触之场合 0.175
反覆承受海水、潮风造成的乾湿影响的场合 0.15
水密性构之构材 0.10
   

[CEB.FIP国际指针]

条件 容许最大裂缝宽度(mm)
同时承受永久荷重与长期作用下的变动荷重之作用时 同时承受永久荷重与较不利的变动荷重之作用时
有害的露出条件下之构材 0.3 0.2
没有保护措施的构材 0.2 0.3
有保护措施的构材 0.3 视美观上的需要而定
                                                                                                                                                                                                                                                                                                                                                                                                                                                                                                                                                                                                                                                                                                                                                                                                                                                                                                                                                                                                                                                                                                                                                                                                                                                                                                                                                                                                                                                                                                                                                                                                                                                                                                                                                                                                                                                                                                                                                                                                                                                                                                                                                                                                                                                                                                                                                                                                                                                                                                                                               
国名提案者等容许最大裂缝(mm)
日本运输省-日本工业规格港湾构造物                                           
离心力钢筋混凝土管设计荷重时0.25
设计moment 作用时0.05
设计荷重、设计moment 解除时                                           
法国Brcard                                            0.4
瑞典                                           路桥仅有静荷重时0.3
静荷重+活荷重1/2 0.4
美国ACI建筑规准屋内构材                                         屋外构材 0.38
苏联钢筋混凝土规准                                           0.2
欧洲欧洲混凝土委员受有相当侵蚀作用构造之构材0.1
无防护措施的普通构造之材0.2
有防护措施的普通构造物之构材 0.3
 
建筑用途变更或结构加强之梁、柱钢板补强
                                  
RC梁之钢板补强研究
§钢钣---EPOXY补强工法

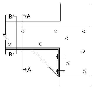
1.梁钢钣补强大样图

B-B
A-A

先将粉刷层剔除。
将松脱不牢固之混凝土打除,打除後将粉屑清除乾净。
使用补强灰泥AE130ABC修补蜂巢。
使用AE160裂缝注射剂修补裂缝。
将钢钣预组在梁上,梁钣使用SS41钢材,采全满焊施工。
钻孔施打化学锚栓(M12)。
封口(包含化学锚栓及钢钣边)。
灌注EPOXY(AE140)直到透气孔溢满出为止。

化学锚栓使用建议:

灌注EPOXY梁深≥40cm或钢钣厚度≥12mm,采AEG M16施做。
灌注EPOXY梁深<40cm且钢钣厚度<12mm,采AEG M12施做。
灌注EPOXY柱之短面长度≥30cm或钢钣厚度≥12mm,采AEGM16施做。
灌注EPOXY柱之短面长度<30cm且钢钣厚度<12mm,采AEGM12施做。
以上间距皆采采40cm上下交错为原则。

 

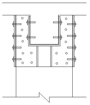
2.柱钢钣补强大样图

         
            A-A

先将粉刷层剔除。
将松脱不牢固之混凝土打除,打除後将粉屑清除乾净。
使用补强灰泥AE130ABC蜂巢修补。
使用AE160裂缝注射剂修补裂缝。
将钢钣预组在梁上,梁钣使用SS41钢材,采全满焊施工。
钻孔施打化学锚栓(M16)。
封口(包含化学锚栓及钢钣边)。
灌注EPOXY(AE140)直到透气孔溢满出为止。

前言
  既有的RC构架往往因某些特殊的原因(如火害、材质劣化、使用载重增加...),而必须予以补强以确保结构安全。补强的方式一般可分为改变结构系统及增加结构元件(如梁、柱)的强度等二种方式。在改变结构系统方面,有加墙、加斜撑甚至加柱等方式,使力量传递系统作一总体性的改变,以达到分担原结构杆件力量的目的,进而增加原总体结构强度。在增加原结构元件强度方面,则钢板(或FRP等)补强乃为目前最常被采用的式之一。一般而言,若不影响原构造物的使用机能,则改变原结构系统实为一最经济有效的结构补强方式。然对一构造物而言,加墙或加柱的结构系统力量转化方式,往往会使原构造物的使用机能丧失,当然也就使得此补强方式产生实用上的困难。在此状况下,强化原结构元件强度的补强方式,虽然不甚经济,但在总体效益的考量下(使用机能重于补强成本),也就变成极受青睬的结构补强方式之一。

RC结构元件的补强方式,一般有钢板(或FRP)贴片补强及增大构件断面尺寸及钢筋等两种方法。增大构件断面尺寸及钢筋的补强方式,在设计时祗要注意新旧混凝土交界面的施工方式及新增钢筋的搭接、锚锭等细节,其成效可用现有RC理论作一评估,进而达到补强结构的目的。然而增大构件尺寸,必然造成使用空间的减少,在寸土寸金的都会区,此种补强方式,往往不易被人接受,故使得钢板贴片的补强方式,增加了其被采用的有利条件。


实际RC构架中可行的施工方式,于梁两侧以环氧树脂粘贴钢板,并在适当位置加设锚锭螺栓,则此在两侧粘贴钢板的RC梁视为一垂直向部分复合的三明治梁。此垂直向部分复合三明治梁经适当挠曲理论分析显示,两侧粘贴钢板的补强方式,实可同时补强原RC梁的弯矩及剪力强度。本文即据此理论分析及相关试验结果,提出一个简易可行的设计表格及设计方法,供结构工程师在RC梁补强设计时采用。

 

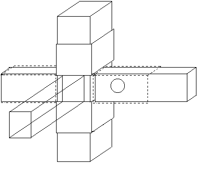
H型钢补强

建筑用途变更或结构加强之梁、柱型钢补强

§ 增设H型钢补强工法

 

在两端RC梁上,正确安装化学锚栓。
端钣及连接钣依图面所示,於工厂加工完成一体,送至施工现场。
将端钣(含连接钣)安装在正确位置上。
吊装H型钢,两端以高张力螺丝(H.T.B)与连接钣锁定在一起,完成吊装。
钢梁顶部与楼版间隙,以环氧树脂填满。
端钣与RC梁间隙,以环氧树脂填满。
钢梁表面以红丹底漆防 。

增设小梁补强

施工步骤

  1. 在两端RC梁上,正确安装化学锚栓..
  2. 端钣及连接钣依图面所示,於工厂加工完成一体,送至施工现场.
  3. 将端钣(含连接钣)安装在正确位置上.
  4. 吊装H型钢,两端以高张力螺丝(H.T.B)与连接钣锁定在一起,完成吊装.
  5. 钢梁顶部与楼版间隙,以环氧树脂填满.
  6. 端钣与RC梁间隙,以环氧树脂填满.
  7. 钢梁表面以红丹底漆防 .


海砂屋

各式的海砂屋专业修补工法

火害

火灾灾後结构安全修复补强施工

楼板补强

§裂缝修补方法示意图

(A). AE160 裂缝注射(RC构件,裂缝宽度>0.2m/m时适用)




仔细量测裂缝的宽度,长度和形状,确定施工的顺序。
使用钢丝刷或砂轮机等,将预定涂密封剂的部份磨平,露出坚实的表面。

 

  


视裂缝的宽度和形状,决定注入的位置。

 


使用密封剂把注入用底座安装好,使其固定底座的中心要和裂缝中心吻合。

 


用密封剂把裂缝的表面确实封固,使注入的树脂不致流失,标准是沿裂缝线作宽度30m/m,厚度3m/m的封带。/m,厚度3m/m的封帶。

 

  

 


确定密封剂是否硬化。
以AE150低压持续注射方式,注入AE160。

 

 

 

 

 


注入的树脂硬化後,撤去注筒。
卸下底座,用砂轮机磨去密封剂使表面平坦。

 

 

 

(B). 切V槽EPOXY填缝 (砖墙适用)

 

 


 切V槽或U槽,宽1cm以上,深1cm以上。
 将槽内灰尘清除乾净(空压机高压空气)
 以EPOXY砂浆将V槽填满。
 隔日,再使用弹性涂料,涂刷表面2次。

 

 

(C). 切V槽弹性填缝胶填缝 (轻质砖墙或两种不同材质之间裂缝适用)


 切V(U)槽,宽度,深度≥1cm。
 以高压空气将槽内灰尘清除乾净。
 以弹性填缝胶,将V槽填满。
 隔日,表面黏贴玻璃纤维网。
 最後,使用弹性涂料,涂刷2次。

 

(D). 弹性涂料表面封塞涂布 (粉刷裂缝适用)

裂缝表面灰尘,杂质清除乾净。
使用弹性涂料,涂刷2次。

PS .本工法得视裂缝情况,加纤维网补强之;且有时会视工地现场及裂缝情况,交互使用。

梁因管路穿孔或挠度变化补强
梁弯矩钢板补强施工法

  1. Rc结构裂缝先行以低压注射裂缝工法,灌注EPOXY补强。
  2. 影响施工之管线先行迁移。
  3. 粉刷层去除至RC结构体。
  4. Rc结构体起砂处及崩裂处先行以EPOXY-界面接着剂涂刷,再以EPOXY-轻质胶膏(或EPOXY砂浆)修补。
  5. SS400-8mm钢板安装与M12化学锚栓固定,锚栓间距30cm。
  6. 钢板及锚栓四周以EPOXY-封塞剂(AE111)封边。以防高压灌注爆裂漏浆并于高处预留排气孔。
  7. 钢板内灌注EPOXY-钢板接着剂由低压处高压灌注,至由排气孔溢出为止。
  8. 隔日检核该钢板之灌注程度,补足至灌满为止。
  9. 钢板外侧二道防锈漆处理。
  10. 完工须负责任施工证明书及原厂供料证明。

蜂巢修补
§补强灰泥及裂缝灌注工法

 


施工步驟
将劣质混凝土凿除,直到坚实混凝土面为止。
将修补面上之灰屑,污物清除乾净。
预留环氧树脂注射管及排气管。
  修补表面先以环氧树脂砂浆(AE130ABC补强灰泥)填补。
 待硬化後,准备灌注环氧树脂(AE160)。
 由注射管灌注,直到排气管浆溢出为止。
隔日将排气管及注射管切除。
§无收缩水泥蜂巢修补工法

 

 

 

 

 

 


施工步驟

将劣质混凝土凿除,直到坚实混凝土面为止。

将修补面上之灰屑,污物清除乾净。

以四分夹板封模,并将四周缝隙填实。

於底部留一注入孔及顶部留一排气孔。

由底部灌注无收缩水泥(AC100或AC110),直到排气管浆溢出为止。

隔日将排气管及注射管切除。

结构体系统补强